| จำนวนชิ้น | ส่วนลดต่อชิ้น | ราคาสุทธิต่อชิ้น |
| {{(typeof focus_pdata.price_list[idx+1] == 'undefined')?('≥ '+price_row.min_quantity):((price_row.min_quantity < (focus_pdata.price_list[idx+1].min_quantity - 1))?(price_row.min_quantity+' - '+(focus_pdata.price_list[idx+1].min_quantity - 1)):price_row.min_quantity)}} | {{number_format(((focus_pdata.price_old === null)?focus_pdata.price:focus_pdata.price_old) - price_row.price,2)}} บาท | {{number_format(price_row.price,2)}} บาท |
| คงเหลือ | 4 ตัว |
| จำนวน (ตัว) |
- +
|
|
ซื้อเลย หยิบลงตะกร้า ซื้อเลย หยิบลงตะกร้า คุณมีสินค้าชิ้นนี้ในตะกร้า 0 ตัว
ช่องทางสั่งซื้ออื่น ๆ
|
|
|
|
|
| คุยกับร้านค้า | |
| {{ size_chart_name }} |
|
| หมวดหมู่ | Floatless Control คอนโทรลปั๊ม |
| สภาพ | สินค้าใหม่ |
| เพิ่มเติม | |
| สภาพ | สินค้ามือสอง |
| เกรด | |
| สถานะสินค้า | |
| ระยะเวลาจัดเตรียมสินค้า | |
| เข้าร่วมโปรโมชั่น | |
| ข้อมูล |
น้ำหนัก
บาร์โค้ด
ลงสินค้า
อัพเดทล่าสุด
|
| รายละเอียดสินค้า |
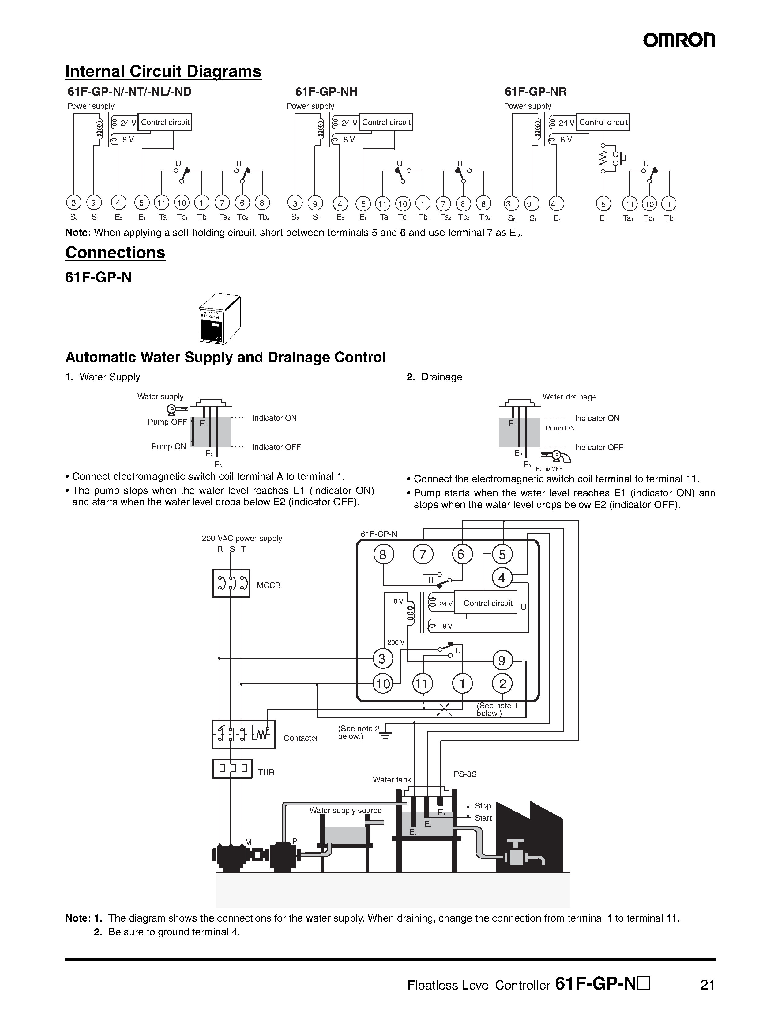
คอนโทรลปั๊ม 61F-GP-N Omron (1 แท้ง 3 ก้าน) ใช้คู่กับอุปกรณ์ - หัวจับ 3 ก้าน PS-3S - ก้านอิเลคโทรด F03-01 ![]() ![]() ![]() ![]() ![]() ![]() ![]() |
| เงื่อนไขอื่นๆ |
|
| Tags |